-
-
-
Tổng tiền thanh toán:
-
Quạt hút âm trần không ống Mitsubishi EX-25SC7T là dòng quạt thông gió gắn trần không nối ống. Quạt thông gió loại âm trần không nối ống gió EX-25SC7T của Mitsubishi Electric thích hợp sử dụng cho văn phòng, cửa hiệu, phòng khách.
Trên cánh chính của quạt được thiết kế thêm một cánh quạt phụ giúp triệt tiêu hết các luồng khí nhiễu loạn trên quạt - nguyên nhân chính tạo ra tiếng ồn khi vận hành. Nhờ vậy, quạt thông gió Mitsubishi hoạt động cực kì êm nhẹ.
Thiết kế độc quyền, nút nhấn trên cánh quạt, tháo lắp được toàn bộ cánh quạt
Cánh quạt thiết kế dựa trên nguyên tắc khí động học áp dụng cho thiết kế cánh máy bay, cánh lượn Winget giúp quạt thông gió giảm áp suất không khí tác động lên cánh quạt, giảm tiêu hao năng lượng của mô tơ nhưng vẫn tạo ra lưu lượng gió cao.
Thân quạt dễ dàng lắp đặt, bền hơn với lớp mạ không gỉ
Động cơ khép kín để ngăn bụi và tạp chất bên ngoài, tích hợp cầu chì tự động ngắt khi nhiêt độ tăng quá cao
Ống co làm bằng vật liệu chống cháy để ngăn chặn tình trạng chập điện, bộ tụ điện sử dụng vỏ kim loại và vật liệu chống cháy
|
Tên Model |
Đơn vị |
EX-25SC7T |
|
Điện áp |
V |
230 |
|
Tần số |
Hz |
50 |
|
Hút / thổi |
|
Hút |
|
Dòng điện định mức |
A |
0.12 |
|
Tiêu thụ điện năng |
W |
25 |
|
Vòng quay/phút |
|
1.100 |
|
Lưu lượng gió |
m3/h |
700 |
|
CFM |
412 |
|
|
Độ ồn |
dB |
40 |
|
Trọng lượng |
kg |
2.2 |
|
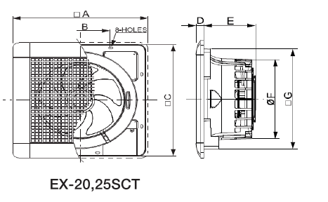
Tên Model |
EX-25SC7T (10 inch) |
![]() |
|
A (mm) |
380 |
|
|
B (mm) |
180 |
|
|
C (mm) |
372 |
|
|
D (mm) |
20 |
|
|
E (mm) |
134 |
|
|
F (mm) |
268 |
|
|
G (mm) |
332 | |
|
Kích thước chừa lỗ |
337 |
Để được tư vấn và hỗ trợ về các giải pháp thông gió, cũng như sản phẩm quạt hút âm trần không ống Mitsubishi EX-25SC7T mời Quý khách liên hệ:
CÔNG TY TNHH ĐẦU TƯ & CÔNG NGHỆ VT VIỆT NAM
📍 259B Kim Mã, Ba Đình, Hà Nội
📞 0906 597 333
📧 quathutvn@gmail.com
🌐 quathut.vn
Catalogue sản phẩm là tài liệu kỹ thuật quan trọng trong lĩnh vực thiết bị thông gió, quạt hút và quạt cấp khí tươi, phục vụ cho quá trình tư vấn, thiết kế, lựa chọn thiết bị và nghiệm thu công trình.
Tại đây, chúng tôi cung cấp catalogue chính hãng của các dòng sản phẩm đang phân phối, giúp khách hàng tra cứu đầy đủ và chính xác thông số kỹ thuật trước khi lựa chọn.
Catalogue được phát hành trực tiếp từ nhà sản xuất, thể hiện chi tiết các thông tin kỹ thuật cơ bản và nâng cao, bao gồm:
Model sản phẩm
Kiểu lắp đặt (gắn trần, gắn tường, nối ống, cabinet…)
Đường kính ống gió
Lưu lượng gió (m³/h)
Áp suất (Pa)
Công suất – điện áp
Độ ồn (dB)
Kích thước và bản vẽ kỹ thuật
Ứng dụng đề xuất
Các thông số trong catalogue là cơ sở để so sánh, lựa chọn và thuyết minh thiết bị trong hồ sơ kỹ thuật.
Catalogue sản phẩm được sử dụng trong các giai đoạn:
Lập phương án thiết kế hệ thống thông gió
Trình duyệt vật tư với chủ đầu tư
Hoàn thiện hồ sơ kỹ thuật – shopdrawing
Nghiệm thu và bàn giao công trình
Việc sử dụng catalogue chính hãng giúp đảm bảo lựa chọn đúng thiết bị, đúng thông số, đúng tiêu chuẩn kỹ thuật.
Catalogue chính hãng từ nhà sản xuất
Thông số rõ ràng, minh bạch
Model đầy đủ, cập nhật theo từng dòng sản phẩm
Phù hợp cho tư vấn, thiết kế và thi công thực tế
Catalogue quạt thông gió Kruger:
Catalogue Kruger APM Series
Catalogue Kruger CCE Series (Model mới nhất thay thế cho CCD Series)
Catalogue Kruger MTD Series
Catalogue Kruger MTD Silent Series
Catalogue Kruger DWA Series
Catalogue Kruger KCE Series
Catalogue Kruger KCE Premium Series
Catalogue Kruger APL SA Series (Model mới nhất thay thế cho APL Series và APK Series)
Catalogue quạt thông gió Tico
Catalogue quạt thông gió Tico TC
Catalogue quạt thông gió Tico Luxury
Catalogue quạt thông gió KyungJin
Catalogue quạt cắt gió KyungJin
Catalogue điều hòa di dộng công nghiệp KyungJin
Catalogue quạt mát thang máy KyungJin
Catalogue quạt thông gió gắn trần KyungJin
Catalogue quạt thông gió hỗn hợp KyungJin NF
Catalogue quạt thông gió thu hồi nhiệt lọc không khí KyungJin NH-D
Catalogue thiết bị thông gió thu hồi nhiệt lọc không khí KyungJin
Catalogue quạt thông gió 2 chiều KyungJin
Catalogue quạt thông gió Cabinet KyungJin
Catalogue quạt thông gió Cabinet ly tâm gián tiếp tiêu âm KyungJin DT
Catalogue quạt hút bếp KyungJin
Catalogue quạt thông gió Nanyoo
Catalogue quạt cắt gió Nanyoo
Catalogue quạt ly tâm gián tiếp Nanyoo
Catalogue quạt mát thang máy Nanyoo
Catalogue quạt thông gió cabinet ly tâm gián tiếp tiêu âm Nanyoo DT
Catalogue quạt thông gió cấp khí tươi và lọc không khí Nanyoo NMD
Catalogue quạt thông gió gắn trần Nanyoo
Catalogue quạt thông gió hỗn hợp Nanyoo
Catalogue quạt thông gió nối ống vuông góc Nanyoo
Catalogue quạt thông gió thu hồi nhiệt - lọc không khí Nanyoo
Catalogue thiết bị thông gió thu hồi nhiệt Nanyoo